您好!歡迎光臨寧夏金昱元化工集團股份有限公司網站!
金昱元設備管控系統
返回首頁
設為首頁
網站首頁
走進金昱元
新聞中心
下屬公司
產品展示
最新招標信息
OA系統
員工社區
人才戰略
服務中心
新聞中心
集團公告
新聞動態
行業資訊
視頻影像
青銅峽辦公地址:青銅峽市青銅峽鎮
電話(傳真):0953一3015398
銀川辦公地址:銀川市興慶區綠地二十一城企業總部公園B區21號樓
電話(傳真):0951一8062678
E-mail:nxjyy@163.com
集團公告
您的位置:
首頁
>> 新聞中心 >> 集團公告
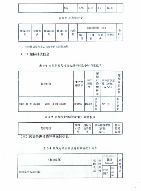
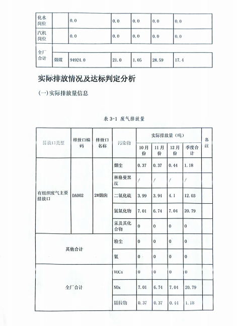
寧夏興昊永勝鹽業科技有限公司2023年第4季度排污許可執行報告
發表時間:
2024年01月24日
點擊數:8596 次 來源:興昊永勝鹽業科技公司 作者:穆桂陽 審核:尚繼榮
寧夏興昊永勝鹽業科技有限公司2023年第4季度排污許可執行報告
上一條:
寧夏興昊永勝鹽業科技有限公司2023年度排污許可執行報告
下一條:
寧夏金昱元資源再生有限公司一般工業固廢貯存綜合利用建設項目征...
網站首頁
走進金昱元
新聞中心
下屬公司
產品展示
最新招標信息
OA系統
員工社區
人才戰略
服務中心
版權所有:寧夏金昱元化工集團股份有限公司 Copyright © 2018 All Rights Reserved.
寧ICP備17000105號
地址:寧夏回族自治區青銅峽市青銅峽鎮 郵箱:nxjyy@163.com
電話: 辦公室:0953-3015398(傳真) 0951-8062678(傳真) 比價辦:0951-8072678
供應部:0951-8878123 銷售部:0951-8987123 財務部:0953-3012017
技術研發中心:0953-3015448
網站設計制作:
銀川天脈網絡有限公司
訪問統計: 41009415 人
寧公網安備 64038102000006號